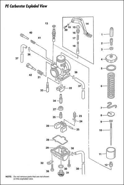
P-Serie - PE - Diagram

Zur Großansicht bitte [hier] klicken.
(öffnet im neuen Fenster)

 > Teileliste (öffnet im neuen Fenster)

 > Preisliste 1
(Nr. 018.000 - 018.999)

 > Preisliste 2
(Nr. 020.000 - 021.999)